大兴安岭爆炸性气体测试箱

服务热线18702252422
主页 > 大兴安岭产品中心 > 大兴安岭特殊环境类试验箱
1.1产品概况
爆炸性气体测试箱可用于确定电子产品、组件、材料等在高湿、低湿、恒定湿热、温度循环变化、湿度表面产生凝露的湿热等条件下使用和储存的适应性。
本试验室采用日前较合理的结构和稳定可靠的控制方式,使其具有外型美观,操作简便,安全、湿湿度控制精度高,是做好低湿试验、恒温恒湿试验、交变湿热验的理想设备。
1.2 产品优势和技术特点
1.2.1、利用多路、环保节能(低噪音)的机械压缩制冷系统。
该设备所有的材料、零件、部件、原料等无论是国产或进口均采用环保产品;根据机械压缩制冷特性,采用双级多路主旁路系统,多路主路、旁路可根据不同的工作状况自适应选择启用,整个控制由智能控制系统根据工况实现自动实现,改变了传统的用温控器控制加热器抵消制冷量的方式去控制冷量。从而达到节能的效果,不仅能耗只占同类产品的80%。也减轻了制冷压空机的运行负载,减少设备的振动及噪音,提调控制精度。为更好达到节能的效果,同时采用变频技术,使制冷压缩机的制冷输出适应试验室各种不同温度变化速率要求,同时控制使用损耗功率达到节能效果。在整个结构以及机械工作过程中的不同地方使用吸音、消音方式减少整个设备噪音。
1.2.2、自主开发的多路、多级节流系统(制冷系统)。
本设备的制冷系统根据系统不同工况设计不同的毛细主路、旁路、通过智通控制系统根据工况自动控制,自动调节的毛细管节流系统,保证流量大小可调,达到了温度变化的目的,而且温度场变化均匀,温度波动极小。
1.2.3、应用宽带压迫平衡调温系统,通过快速收敛的PID自适应算法实现温度的快速控制。
运用温度调和室,静压腔再加上离心风叶的强迫式风管系统,保证冷热充分的交换并均匀的通过顶部孔板均匀送风传送到工作室(实验区域)的每个空间,达到温度的均匀性;为实现温度的快速收敛,适用于本公司的PID自适应算法,该控制方式在控制过程中根据温度情况不断修正控制,达到收剑快,温度过冲小,稳定性高的控制目的。
1.2.4、实现远程可视化控制。
该设备配置人机管理界面采用彩色液晶中英文显示界面,只需要设置温度、湿度、压力、时间几个参数,设备将自动运行,操作使用简便;,触模式自动化控制系统,实现自动控制;同时通过RS485通讯界面实现与远程计算机的连接,实现网络管理,远程监控。整个系统通过图形化界面,控制管理简单快速,故障自动提示,图形化提示故障节能并提出解决方法,指导用户快速排障。
1.3真空度控制方式为变频控制方式,真空泵排气口无油烟;
1.4鼓风电机采用新型磁传动装置,噪声小,振动小,免维护;
1.5试验箱大门开关方便,旋转压紧四个转轮;
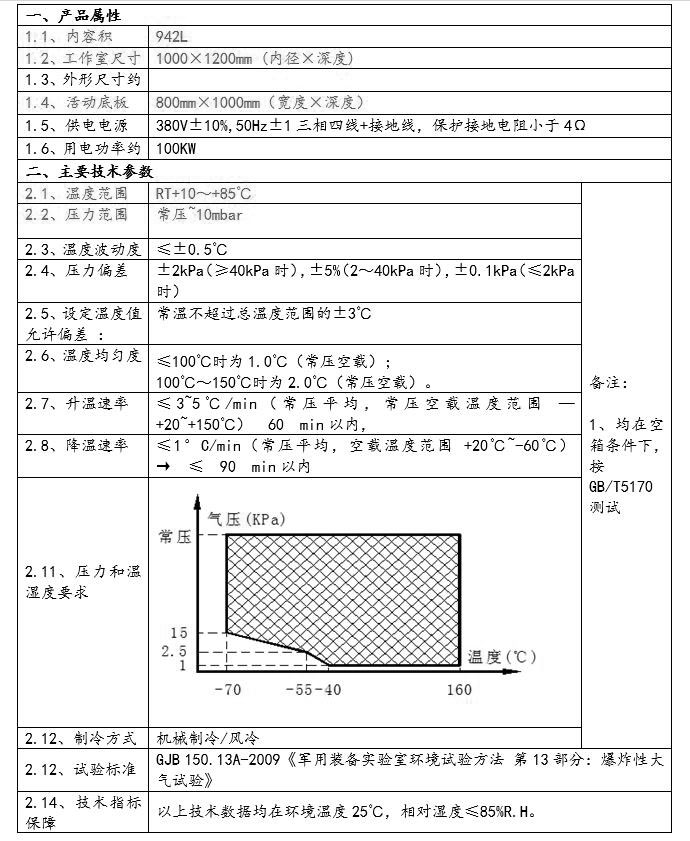
二、产品属性:

更多具体参数请联系我公司索取。